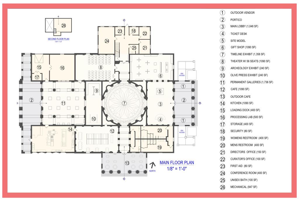
Below are examples of several student design projects from ARC 3110 – Architecture Design Studio III which was taught at Utah Valley University during the Fall 2021 semester. The 15,000-square-foot Beit Lehi Visitor Center serves as both an educational center and a gateway for tourists. The larger Beit Lehi archaeological site is located an hour southwest of Jerusalem. The design includes a public reception area, exhibits, gift shop, cafe, and theater spaces as well as a back-of-house administration area and processing lab for cataloging artifacts found on site.
To learn more about the design brief and class, visit the link below:


















